Three phase emergency power supply for elevator
傅昌荣/Changrong.Fu
(作者单位:温州申嘉电梯科技有限公司,邮编:325600)
电梯三相应急电源可以在市电停电的情况下将电池的直流电源转换成三相380V交流电源供电梯工作,使电梯轿厢能自动平层、自动开门、自动关门使轿厢内的人员安全撤离。
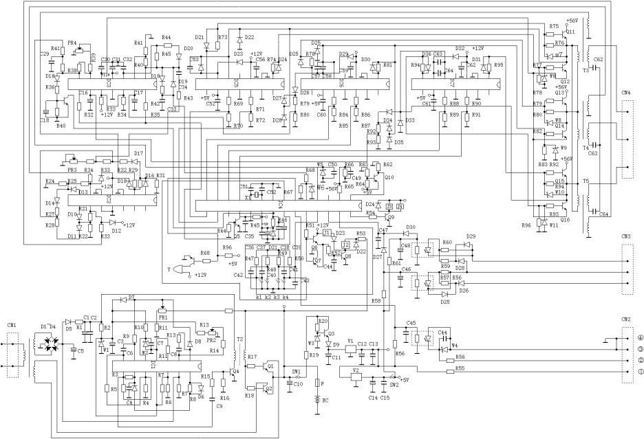
电梯三相应急电源的点原理图如图所示。图中的CN1为市电380V输入电源插座,CN4为应急三相380V交流电源输出插座,CN3为市电三相380V交流取样电压插座,CN2为应急控制输入端插座,J2为市电三相380V与应急三相380V转换继电器。J1、J3、J4为备用继电器。K1-K4为轿厢应急开门时间选择开关,从10秒到45秒之间选择。
电梯三相应急电源的工作过程如下。接通市电继电器J2吸合,市电给电源正常供电。闭合开关SW1、SW2,K1-K4选择30秒位置。将CN2的、端与控制框的干簧管并联连接。市电经由TI、IC1、T2、Q1、Q2等元件构成的开关电源,一方面对电池进行充电,充电结束自动停止。另一方面,由V1、V2构成的电路给相关集成电路IC提供工作电源,此时如果输入三相电源有缺相、错相、断路等情况应急电源不会启动。当市电停电时,由IC4构成的核心控制元件启动应急程序,待延时5秒钟后,IC4输出三路50HZ的交流信号分别到IC5、IC6、IC7,经过它们的推动,Q11-Q16放大,变压器T3、T4、T5输出三相380V交流电供电梯工作,电梯轿厢开始运行。轿厢运行到最近一层门层时,控制柜内的干簧管吸合,轿厢停止运行,并自动打开轿厢门,三十秒钟后自动关闭,应急电源停止工作。电源应急时变压器T3、T4、T5输出的另一组线圈将输出电压反馈到IC2,IC2构成的电路可以对应急输出电压进行调整,IC3构成的电路可对输出电流进行调整,当市电来电时恢复正常工作,应急电源不再动作。
